Accueil - Recherche avancée - Aide - Les marques - Les matériels - Sélection - Forum - Téléchargement - Articles techniques - Contact

UTILISER - INSTALLER - DEPANNER
www.manuelservice.com
Ici vous trouvez tous les documents indispensables : Notice d'utilisation, manuel utilisateur, mode d'emploi, manuel d'installation, manuel de service, manuel d'atelier, manuel de réparation, schémas, codes d'erreur, vues éclatées, pièces détachées... micro-tracteurs, tracteurs, engins agricoles, électroménager, lave-linge, fours, high-tech, téléviseurs, loisirs, drones, bricolage, combinés-bois, équipements de garage, stations de climatisation, équilibreuses, ponts élévateurs...




Recherche de solutions de dépannage pour VERTS LOISIRS P56BR

 

Comment utiliser ? Comment installer ? Comment réparer ? Pièces détachées ? Les schémas ?
\"VERTS_LOISIRS_P56BR_Manuel_Utilisateur_Emploi.png\" \"VERTS_LOISIRS_P56BR_Manuel_Installation_.png\" \"VERTS_LOISIRS_P56BR_Manuel_Service_Atelier_Reparation.png\" \"VERTS_LOISIRS_P56BR_Liste_Pieces_Detachees_Vues_Explosees.png\" \"VERTS_LOISIRS_P56BR_Schemas_Electriques_Electroniques.png\"

Le mode d'emploi ou manuel utilisateur ou notice d'utilisaiton contient tout ce qu'il vous faut savoir pour optimiser l'utilisation VERTS LOISIRS P56BR en toute sécurité, ainsi que les fonctions spéciales et les codes d'erreur.

Le manuel d'installation ou notice de montage décrit les procédures pour mettre en service VERTS LOISIRS P56BR.

Vous souhaitez essayer de réparer vous-même VERTS LOISIRS P56BR ? Attention, celà peut être une opération à haut risque et peut annuler la garantie - Le manuel de service ou manuel d'atelier ou manuel de réparation vous donne toutes les modalités de démontage et les tests de panne à mener.

Pour changer une pièce VERTS LOISIRS P56BR, les vues explosées et la liste des pièces détachées permettent de visualiser tous les composants et le cas échéant de commander la pièce défectueuse.

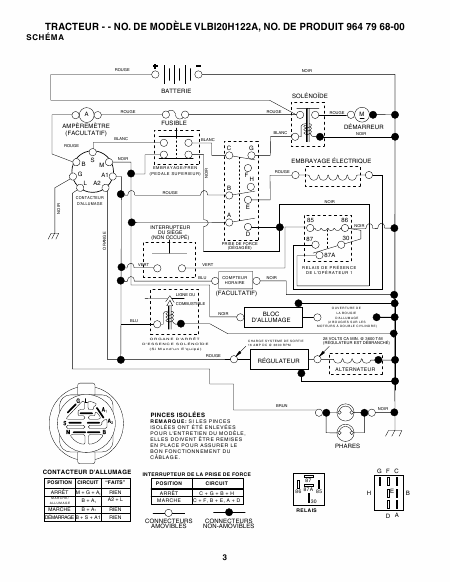
Les schémas internes VERTS LOISIRS P56BR sont des informations réservées à des personnes possédant des bases en éléctronique et électricité. Ils permettent de détecter des pannes et de procéder aux réparations des circuits.
Télécharger > Télécharger > Télécharger > Télécharger > Télécharger >
 
 
VERTS LOISIRS P56BR - Support SAV (Service Après-vente)
 
Dépannage entre utilisateurs

VERTS LOISIRS P56BR
Date de fabrication : 2017
Recherché par c***y@o******e.fr. le 03 04 2026
Niveau de satisfaction :
Possède et en est très satisfait
Commentaires éventuels :
mise à niveau

Aucune réponse d'utilisateur pour l'instant
 
Aucune réponse d'expert pour l'instant
 
Résultats dans notre base de données :

Manuel Pièces détachées & Vues éclatées - Français
VERTS LOISIRS VL 390 H 36B (VL390H36B) >
Vues explosées et catalogue des pièces détachées VERTS LOISIRS VL 390 H 36B (VL390H36B) - Ce manuel des pièces détachées contient les vues éclatées de l'appareil et la liste des pièces. Ce manuel est particulièrement utile pour démonter et remonter l'appareil ou pour changer une pièce défectueuse. Des pièces de rechange peuvent être commandées en ligne sur Internet.


   (Array) -  - Télécharger PDF / ZIP
Mode d'emploi - Français
VERTS LOISIRS VLB145H97 >
Manuel utilisateur VERTS LOISIRS VLB145H97 - Cette notice d'utilisation originale (ou mode d'emploi ou manuel utilisateur) contient toutes les instructions nécessaires à l'utilisation de l'appareil. La notice décrit les différentes fonctions ainsi que les principales causes de dysfontionnement. Bien utiliser l'appareil permet de préserver la garantie légale constructeur.


   (Array) -  - Télécharger PDF / ZIP
Mode d'emploi - Anglais
VERTS LOISIRS VLB145H97 >
Manuel utilisateur VERTS LOISIRS VLB145H97 - Cette notice d'utilisation originale (ou mode d'emploi ou manuel utilisateur) contient toutes les instructions nécessaires à l'utilisation de l'appareil. La notice décrit les différentes fonctions ainsi que les principales causes de dysfontionnement. Bien utiliser l'appareil permet de préserver la garantie légale constructeur.


   (Array) -  - Télécharger PDF / ZIP
Mode d'emploi - Espagnol
VERTS LOISIRS VLB145H97 >
Manuel utilisateur VERTS LOISIRS VLB145H97 - Cette notice d'utilisation originale (ou mode d'emploi ou manuel utilisateur) contient toutes les instructions nécessaires à l'utilisation de l'appareil. La notice décrit les différentes fonctions ainsi que les principales causes de dysfontionnement. Bien utiliser l'appareil permet de préserver la garantie légale constructeur.


   (Array) -  - Télécharger PDF / ZIP
Mode d'emploi - Allemand
VERTS LOISIRS VLB145H97 >
Manuel utilisateur VERTS LOISIRS VLB145H97 - Cette notice d'utilisation originale (ou mode d'emploi ou manuel utilisateur) contient toutes les instructions nécessaires à l'utilisation de l'appareil. La notice décrit les différentes fonctions ainsi que les principales causes de dysfontionnement. Bien utiliser l'appareil permet de préserver la garantie légale constructeur.


   (Array) -  - Télécharger PDF / ZIP
Mode d'emploi -
VERTS LOISIRS VLB145H97 >
Manuel utilisateur VERTS LOISIRS VLB145H97 - Cette notice d'utilisation originale (ou mode d'emploi ou manuel utilisateur) contient toutes les instructions nécessaires à l'utilisation de l'appareil. La notice décrit les différentes fonctions ainsi que les principales causes de dysfontionnement. Bien utiliser l'appareil permet de préserver la garantie légale constructeur.


   (Array) -  - Télécharger PDF / ZIP
Mode d'emploi -
VERTS LOISIRS VLB145H97 >
Manuel utilisateur VERTS LOISIRS VLB145H97 - Cette notice d'utilisation originale (ou mode d'emploi ou manuel utilisateur) contient toutes les instructions nécessaires à l'utilisation de l'appareil. La notice décrit les différentes fonctions ainsi que les principales causes de dysfontionnement. Bien utiliser l'appareil permet de préserver la garantie légale constructeur.


   (Array) -  - Télécharger PDF / ZIP
Manuel Pièces détachées & Vues éclatées - Français
VERTS LOISIRS VLBI20H122A >
Vues explosées et catalogue des pièces détachées VERTS LOISIRS VLBI20H122A - Ce manuel des pièces détachées contient les vues éclatées de l'appareil et la liste des pièces. Ce manuel est particulièrement utile pour démonter et remonter l'appareil ou pour changer une pièce défectueuse. Des pièces de rechange peuvent être commandées en ligne sur Internet.

Manuel Pièces détachées & Vues éclatées - Français
VERTS LOISIRS VLGT20H122 >
Vues explosées et catalogue des pièces détachées VERTS LOISIRS VLGT20H122 - Ce manuel des pièces détachées contient les vues éclatées de l'appareil et la liste des pièces. Ce manuel est particulièrement utile pour démonter et remonter l'appareil ou pour changer une pièce défectueuse. Des pièces de rechange peuvent être commandées en ligne sur Internet.


   (Array) -  - Télécharger PDF / ZIP
Manuel Pièces détachées & Vues éclatées - Français
VERTS LOISIRS VLH13H36A (2001) >
Vues explosées et catalogue des pièces détachées VERTS LOISIRS VLH13H36A (2001) - Ce manuel des pièces détachées contient les vues éclatées de l'appareil et la liste des pièces. Ce manuel est particulièrement utile pour démonter et remonter l'appareil ou pour changer une pièce défectueuse. Des pièces de rechange peuvent être commandées en ligne sur Internet.


   (Array) -  - Télécharger PDF / ZIP
Manuel Pièces détachées & Vues éclatées - Français
VERTS LOISIRS VLH17H107C >
Vues explosées et catalogue des pièces détachées VERTS LOISIRS VLH17H107C - Ce manuel des pièces détachées contient les vues éclatées de l'appareil et la liste des pièces. Ce manuel est particulièrement utile pour démonter et remonter l'appareil ou pour changer une pièce défectueuse. Des pièces de rechange peuvent être commandées en ligne sur Internet.

 


Comment utiliser ? Comment installer ? Comment réparer ? Pièces détachées ? Les schémas ?
Manuel utilisateur
VERTS LOISIRS P56BR
Manuel d'installation
VERTS LOISIRS P56BR
Manuel de service
VERTS LOISIRS P56BR
Vues explosées
VERTS LOISIRS P56BR
Diagrammes
VERTS LOISIRS P56BR
Commander > Commander > Commander > Commander > Commander >
 


Accueil - Recherche avancée - Aide - Les marques - Les matériels - Sélection - Forum - Téléchargement - Articles techniques - Contact

Conditions d'utilisation - © 2026 Manuals Network Inc.

Autres recherches récentes de manuels et notices : BOSCH SMU4092UC BRANDT ATLAS PHILIPS HR2305 PROGRAMMEUR DIGITAL VOLTMAN PHILIPS PZ1 HUSQVARNA PRISMA 945 7000 SERIES SAMSUNG BP32EO TECNOMA THERMATELECHARGEMENT IMMEDIAT AIRTON AUS SAMSUNG SE S084 PANASONIC PZ071 12007 LECTEUR FICHIER HTLM ETESIA H 124 DN AKAI VS G701 PHILIPS COMBIGRILL M 724 HISENSE L830 DAEWOO DWD HB9411E SIEMENS ACD OCEANE 510 SOLAIRE LG LAVATRICE CASIO FX-350 WHIRLPOOL W16071FP PANASONIC QUINTRIX F TC 21Z88JA SIEMENS 7LF4 4015 COMMENT SUPPRIMER SUR JAVA SINGER SYMOHONIE 200 TECHNICS STX930L LG LD14AW2 BAUKNECHT EDPS 3700AB PHILIPS 22RH732 CASTELGARDEN JR 92 HYDRO MICRO ONDE PROLINE SM20D CONVENIO WHIRLPOOL MD155 ARISTON AML 81

VETUS (10) VETTA (1) VESTFROST (4) VESTEL (5) VESPA (3) VERTS LOISIRS (11) VERTEX STANDARD (1) VERTEX (1) VERNIER (1) VERMOREL (2) VERITAS (4) VERISURE (5) VERIFONE (5) VERCIEL (1) VENTUS (4) VENMAR (2) VELTA (3) VELOSOLEX (2) VEDETTE (33)